U30-D6000N(P)2UT-R00A
常规系列
- 检测范围:350-6000mm
- 盲区:0-350mm
- 重复精度:满量程值的 ±0.15%
- 绝对精度:±1%(内置温度漂移补偿)
- 响应时间:232ms
- 防护等级:IP67
- 连接类型:5芯 M12连接件
- 技术特点
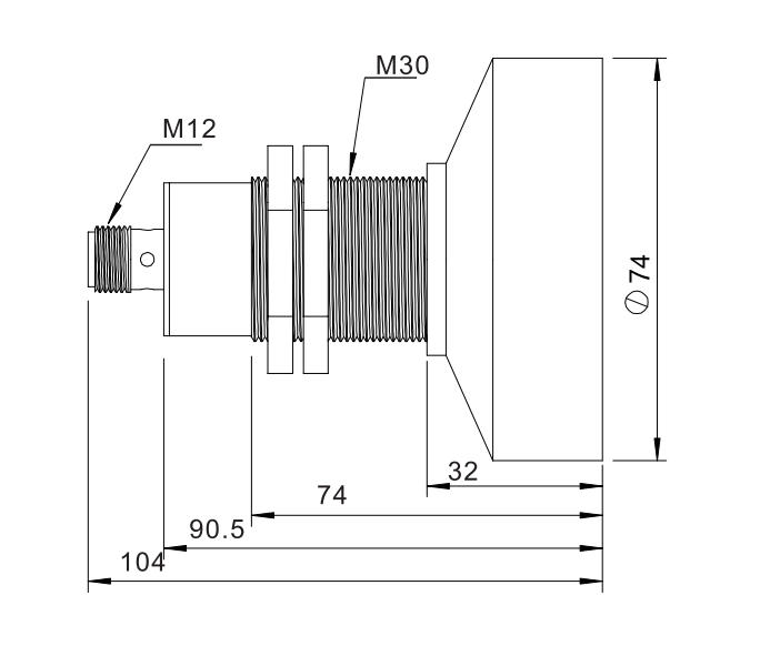
- 尺寸
- 连接
- 其它
| 检测范围 | 350-6000mm |
| 盲区 | 0-350mm |
| 分辨率 | 0.17-2.5mm |
| 重复精度 | 满量程值的 ±0.15% |
| 输出类型: | |
|---|---|
| N1/N2 | 1个开关量输出 npn,NO/NC |
| P1/P2 | 1个开关量输出 pnp,NO/NC |
| N32/N42 | 2个开关量输出 npn,NO/NC |
| P32/P42 | 2个开关量输出 pnp,NO/NC |
| 绝对精度 | ±1%(内置温度漂移补偿) |
| 响应时间 | 232ms |
| 开关迟滞 | ±4mm |
| 开关频率 | 5Hz |
| 上电延时 | < 500ms |
| 工作电压 | 10-30V DC, 反极性保护 |
| LED红灯 | 无目标物常亮,学习时无目标闪烁 |
| LED绿灯 | 检测到目标物常亮,学习时有目标闪烁 |
| 过载保护 | 200mA, 红绿灯同时闪烁 |
| 负载阻抗 | I/ < 300Ohm,U/ > 1k Ohm |
| 空载电流 | ≤ 30mA |
| 输入类型 | 带同步功能和学习功能 |
| 材质 | 铜套镀镍,塑料配件,玻璃填充环氧树脂 |
| 防护等级 | IP67 |
| 连接类型 | 5芯 M12连接件 |
| 环境温度 | -25℃ ~+70℃(248~343K) |
| 存储温度 | -40℃ ~+85℃(233~358K) |
| 重量 | 185g |
- 克朗兹(广州)电子有限公司
- 地址:广州市增城经济开发区香山大道汉和机器人智造基地展示中心12B栋7楼
- 电话:020-3298 1980
- 邮箱:sales@kronz.cn












.png)













粤公网安备 44011802000815号






